Продается коммерческая, 261.3 кв.м., 4/ эт
| Стоимость | 44 824 000 |
|---|---|
| Тип здания | Административное здание |
| Планировка avito | Кабинетная, Открытая |
| Отделка помещения коммерческая | Офисная |
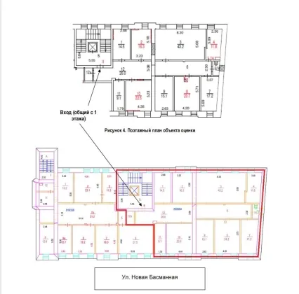
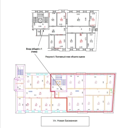
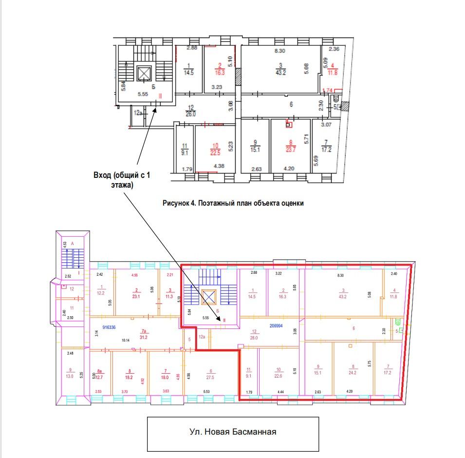
| Вход cian (avito) | Общий со двора |
| Тип парковки | На улице |
| Тип Комиссия агента, %-руб | % |
| Способ связи avito | По телефону и в сообщениях |
| Вариант задания цены (avito) | за всё |
| Торги | Есть |
| Тип коммерческой | Помещение свободного назначения |
| Площадь, кв.м. | 261.3 |
| Этаж | 4 |
| Страна | Россия |
|---|---|
| Регион страны | Москва |
| Район | Москва |
| Населенный пункт | Москва |
| Район города | Басманный |
| Улица | улица Новая Басманная |
| Номер дома | 35с1 |
Объект № 20300
Реализация имущества на электронных торгах!!!
Окончание приема заявок - 14.05.2026 - 15:00
Прозрачная история, полная стоимость в договоре купли-продажи, оплата безналичным путем. Имеем опыт успешного проведения торгов. Торги могут быть проведены дистанционно, Вам не обязательно приезжать в офис и на объект.
Гарантии: Сотрудничество оформляется официально по договору.
Имущество оформляется на Вас (Покупателя) по договору купли-продажи. Все действия регулируются Законом.
Оплата по безналичному расчету!
Подадим заявку на участие в торгах от Вашего имени. (Вам ЭЦП не нужна)!
Оплата за результат, после публикации протокола о результатах торгов!
Все необходимые документы подготовим за Вас!
Имеется ЭЦП и АККРЕДИТАЦИЯ на всех электронно-торговых площадках!
В кратчайшие сроки подготовим весь пакет документов и профессионально организуем подачу заявки для участия в торгах!
С нами покупка этого объекта для Вас ничем не отличается от стандартной процедуры покупки недвижимости!
Гарантируем чистоту и надежность сделки!
100% допуск заявки!
Участие производится на основании нотариальной доверенности. По всей России. Документооборот по электронной почте.
Мы заинтересованы в Ваших победах и продолжительном взаимовыгодном сотрудничестве!
Приглашаем к сотрудничеству бизнесменов, инвесторов, частных предпринимателей и просто всех, кто хочет значительно сэкономить на покупке недвижимости, а также вложить деньги.
Звоните и задавайте интересующие Вас вопросы!
Добавьте это объявление в Избранное - чтобы не потерять!
Поможем с получением ипотечного кредита для приобретения недвижимости с торгов.
Поможем с раскадастрированием объектов коммерческой недвижимости.
Поможем с освобождением от налога на имущество физических лиц (коммерческая недвижимость).
Поможем со снижением выкупной стоимости объекта недвижимости у города Москвы по 159 Ф.З.
Подберём для Вас помещения с электронных торгов с окупаемостью до 6 лет (подвал или цоколь).
Найдём для Вас недооценённые коммерческие помещения от собственников, со сроком окупаемости до 6 лет (подвал или цоколь).
Так же готовы взять объекты недвижимости в оперативное управление.

































